CHF-SR300
日射計Class A(CHF-SR300-D1)

ISO 9060 Class A 日射計 (旧ISO 9060:1990におけるセカンダリースタンダード/二次標準)
結露・降霜によるデータエラー・欠損を防止
最新国際規格 太陽光発電システム性能監視の規格 IEC 61724-1:2021に準拠
概要
CHF-SR300 全天日射計は、ISO9060規格の中で最高ランクに分類されるデジタル出力のClass A(セカンダリースタンダード、二次準器)およびIEC(国際電気標準会議)のClass A:PVシステム性能モニタリングの要件に準拠した日射計です。高精度な日射測定、研究目的、比較用の標準器(スタンダード)、またメガーソーラなどの評価用日射計として適しています。
ヒーターと内部循環ファン、傾斜計、温度計、湿度計などが内蔵されており、結露、降霜を防止します。出力値は、温度補正式が適用されており、-30~+50℃の温度範囲で±0.4%以下という、極めて小さい温度依存性になります。
内蔵ファンにより結露・降霜を防止
旧モデルで確立されたClassA(セカンダリースタンダード、二次準器)の精度に加え、画期的な内蔵ファンを導入する事により、早朝発生する結露・降霜を防止します。これにより、日合計で数%に及ぶ事がある結露・降霜による測定エラーを防止する事が出来ます。
CHF-SR300の温度依存性は非常に小さいですが、さらに内蔵のデジタル処理により、温度補正をした結果を出力します。厳しい屋外温度環境条件下(-40~+80 ℃)でも精度の高い値を出力します。
センサー状態をモニター
CHF-SR300は、温度だけでなく、センサーの傾斜角度、ファンの回転数、湿度、気圧も出力します。これらの値をモニターする事により、適切な保守を行い、長期間にわたり精度の高い測定結果を得る事が出来ます。例えば、センサーの傾斜の変化を検知したり、内蔵除湿タブ(通常5年交換)の交換時期を早めに把握したりする事が可能です。
また、従来モデルCHF-SR30にはなかったLEDインジケータを搭載することにより、機器の状態を目視で確認することができます。使用前の点検や設置時、保守作業時に状態を把握しやすく便利です。
デジタル出力タイプ
太陽光発電所など大規模な計測ネットワークに接続できるRS-485 Modbus仕様のデジタル出力となっています。温度補正された日射量がネットワーク経由で取得可能になります。
パイプマウント
CHF-SR05から採用された、パイプマウントシステムをオプションで選択できます。
この機構を利用する事により、センサーの設置が簡単に精度良く可能になります。
記録
日射計の記録は通常平均か積算してMJの単位で記録します。
例)1時間の平均日射量(W/m2)*3600秒*10^-6=1時間の積算日射量(MJ/m2)
電圧-MJ換算方法
精度良く記録するならC-CR310/C-CR1000Xe (Modbus 対応)
写真ギャラリー
ヒーター有無の違い
内部空気をファンにより循環する事により、結露・降霜を防止します。


外側ドームの放射冷却を抑制、結露、降霜を防止する。
仕様
温度については、補正式(二次式)も個々に添付されますが出力は温度補正されています。
スクロールすることができます
| 型 式 | CHF-SR300 | ||||||
| 特 徴 |
外側ドーム:ガラスドーム
|
||||||
|
デジタル出力
|
|||||||
| ダウンタイムを最小限に抑え、運用および保守(O&M)コストを削減 | |||||||
| 想定使用条件 | すべての地域および気候条件下 | ||||||
| ISOクラス |
スペクトルフラット クラス A(セカンダリースタンダード、二次準器) |
||||||
| 出力 |
RS-485 2線 Modbus RTUモード(*)
|
||||||
| 校正の不確かさ (Uncertainty) | < 1.2 % (k = 2) | ||||||
| 応答時間 (95%) | 3秒 | ||||||
| ゼロオフセット a 赤外放射依存(200W/m2) |
<2 W/m2 (通常電力モード/中電力モード)
|
||||||
| ゼロオフセット b 温度依存(5K/hr) |
<± 2 W/m2 | ||||||
| 非安定性 (経年変化) | <± 0.5 %/年 | ||||||
| 非直線性 (100-1000W/m2 ) |
<± 0.2 % | ||||||
| 方向応答特性 (ビーム放射に対して) |
<± 10 W/m2 | ||||||
|
波長選択特性 (350~1500nm) |
<± 3 % | ||||||
| 温度応答特性 | <± 0.4 % (-30~+50℃温度補正済み) | ||||||
|
傾斜応答特性 0-90° @ 1000 W/m2 |
<± 0.2 % | ||||||
| 測定範囲 | -400~4000 W/m2 | ||||||
|
電源 |
運転モード | 電源電圧 | 消費電力 | ヒータ | ファン | ゼロオフセット | |
| 通常電力モード |
8-30 VDC
|
< 3.0 W | ● | ● | < 2 W/m2 | ||
| 中電力モード | < 1.0 W | X | ● | < 2 W/m2 | |||
| 省電力モード | < 0.5 W | X | ● | < 5 W/m2 | |||
| ヒーター/ファン | 内蔵 | ||||||
| 内蔵センサー | 要素 | 精度/不確かさ | |||||
| 内部温度 |
不確かさ:± 0.5 ℃ |
||||||
| 傾斜 |
不確かさ: ± 1° (0-180°)@ -30~50 ℃
|
||||||
| 回転 |
不確かさ: ± 2 ° @ 傾斜角 5~175°、温度 -30~+50 ℃ |
||||||
| 湿度 | 精度: ± 3 % RH | ||||||
| 気圧 | 精度: ± 1 mbar | ||||||
| ガラスドーム | ガラス二重ドーム | ||||||
| 内部乾燥剤 | 交換周期: 通常 5年未満 推奨 | ||||||
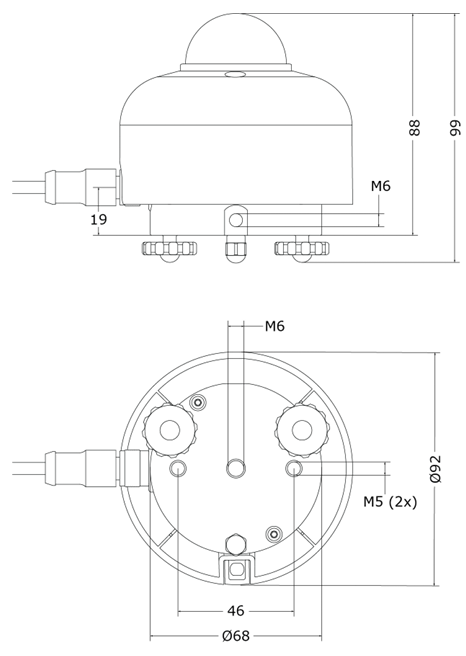
| 大きさ | φ68 x H95 mm (本体) | ||||||
|
重量 (ケーブル除く) |
正味重量: 0.65 kg 総重量: 0.7 kg |
||||||
| 視野角 | 180度 | ||||||
| 動作温度 | -40~+80 ℃ | ||||||
| 本体素材 | アルマイト処理アルミニウム | ||||||
| 波長範囲 | 285-3000 nm | ||||||
![]() CHF-SR300 波長吸収特性 |
|||||||
| 校正 |
トレーサビリティ: WRR (World Radiometric Reference) 方法: ISO 9847準拠の室内校正 推奨校正間隔: 2年毎 |
||||||
| ケーブル |
ケーブル長: 5 m、10 m、20 m から選択可能 (ご注文時ご指定下さい) ケーブル外径: φ4.8 mm M12-Aコネクタ (IP67) 両側コネクタ付延長ケーブル: 10 m、20 m |
||||||
| 配線 | ![]() |
||||||
| センサーアラート | 要素 | トリガーポイント | |||||
| 内部温度 | なし (本体温度を露点より高く保つこと) | ||||||
| 傾斜 | 無効 (使用前にユーザーによる設定が必要) | ||||||
| 湿度 | 内部湿度が40%を超える | ||||||
| ファン | 電流 < 0.03 A (低電流フラグ)、> 0.14 A (過電流フラグ) | ||||||
| ヒーター | 電流 < 0.25 A (低電流フラグ)、> 0.5 A (過電流フラグ) | ||||||
| その他 |
設定、モニターソフト(英語版)
Hukseflux Snsor Manager software こちら
|
||||||
| 係数の換算方法 |
電圧をW/㎡ または J/㎡、kJ/㎡、またはMJ/㎡にする方法
|
||||||
| (*)Modbus通信について |
当社取扱の各種ロガーで計測可能です。 接続方法、プログラムについてはお問い合せ下さい。 |
||||||
サイズ



スプリングネジで本体と固定されます。


横から10mmスパナで固定


パイプマウント調整方法

水平面・傾斜面架台
スクロールすることができます
| 型 式 | CHF-PMF01 |
| 対象日射計 | Hukseflux製日射計 |
| 角度 | 0~90° |
| 材料 | アルマイト処理アルミニウム |
| 重さ | 0.25kg |
| 付属品 | M6X1、M5X4、 パイプ用クランプ(27-60φ)X2 |


